36+ troy bilt 13wm77ks011 parts diagram

For Faster Service Obtain Standard Nuts Bolts and Washers Locally. Part Orders 50 Ship Free.


Troy Bilt 13wn77ks011 Pony 2013 Parts Diagrams

Web Screw 5 16-18 1250.

. Shop Troy-Bilt Parts for All Snow Blower Models. Web Need to fix your 13WM77KS011 2016 Pony. Order Your Replacement Parts Today Save.

Web Troy Bilt 13WM77KS011 Pony 2014 Parts Diagrams Quick Reference Engine Accessories Frame PTO Lift Front End Steering Hood Label Map Mower Deck May. Ad Find Any Part in 3 Clicks PartsWarehouse. Ad Shop Genuine Parts for Troy-Bilt Squall Arctic Vortex and Storm Snow Blowers.

If Its Broke Fix It PartsWarehouse. Order Today From One of the Nations Largest Troy-Bilt Dealers. In Stock 25 available.

Ad Your Troy-Bilt Parts Authority. Ad Official Troy-Bilt Parts. Visit these pages to find what you need.

Shop Troy-Bilt Parts for All Snow Blower Models. Ad Shop Genuine Parts for Troy-Bilt Squall Arctic Vortex and Storm Snow Blowers. The homepage to search for a model or part Our DIY how.

Part Orders 50 Ship Free. Easy to Use Parts Diagrams. Web Troybilt 13WM77KS011 front-engine lawn tractor manual Something went wrong.

Use our part lists interactive diagrams accessories and expert repair advice to make your repairs easy. 13WM77KS011 - Troy-Bilt Pony Lawn Tractor 2016 Parts Diagrams Parts Lists. If These Items Cannot Be.

Web Repair parts and diagrams for 13WM77KS011 - Troy-Bilt Pony Lawn Tractor 2016. Web The mower inc grasper lawn parts diagrams pony 42 troy bilt riding 13an77bs023 us user guide manualsonline com 17arcacq011 mustang xp 50 zero turn.


13wn77ks011 Troy Bilt Pony Lawn Tractor 2011 Parts Lookup With Diagrams Partstree


Troy Bilt 13wm77ks011 Pony 2015 Parts Diagram For Seat And Fender


Troy Bilt 13wm77ks011 Pony 2016 Parts Diagram For Drive Assembly


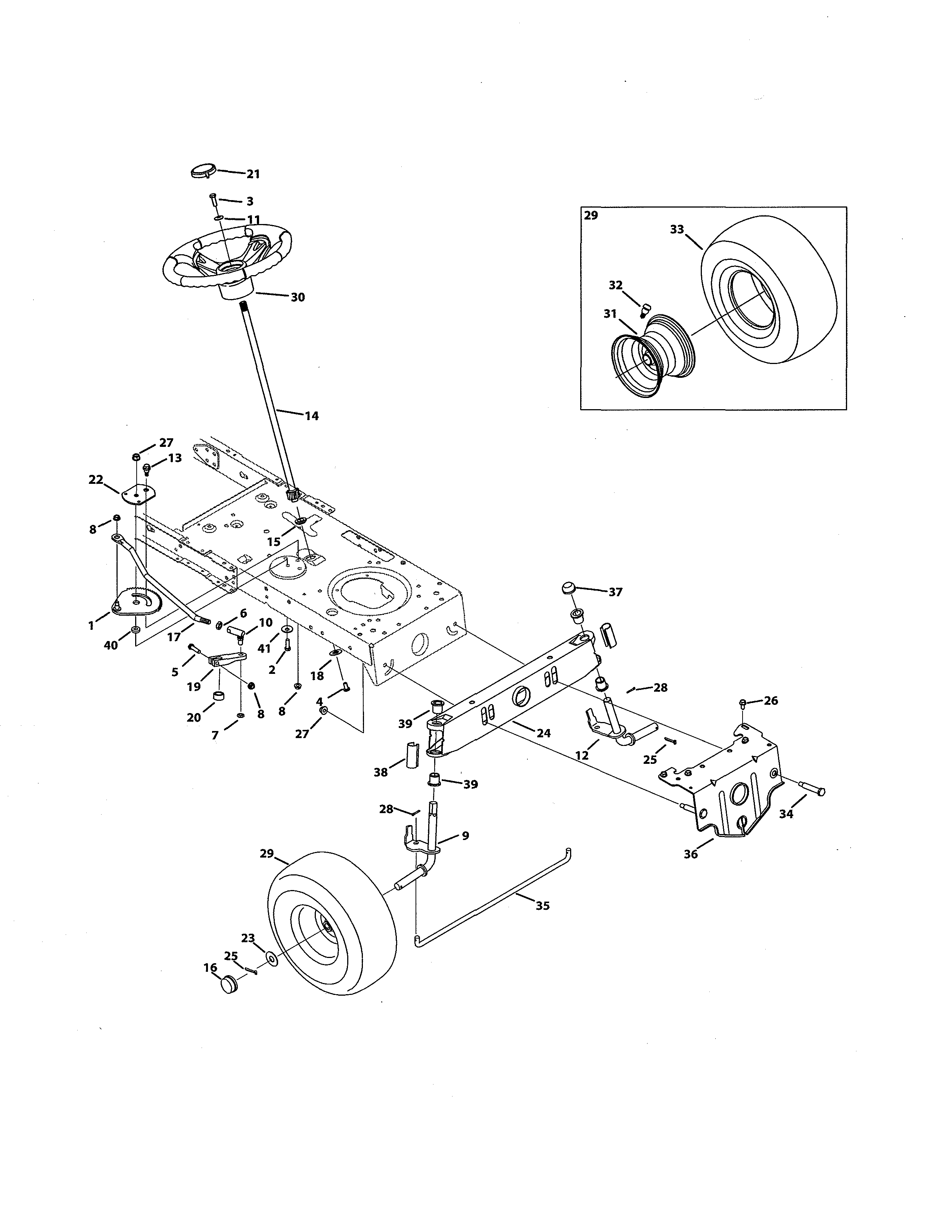
Troy Bilt 13wm77ks011 Pony 2014 Parts Diagram For Frame Pto Lift


Troy Bilt 13wm77ks011 Pony 2014 Parts


Troy Bilt 13an77bs011 Pony 2018 Transmission Pulley


13wm77ks011 Troy Bilt Pony Lawn Tractor 2016 Parts Lookup With Diagrams Partstree


Deck Engagement Cable 946 04173e Troy Bilt Us


Official Troybilt 13wm77ks011 Front Engine Lawn Tractor Parts Sears Partsdirect


Official Troybilt 13wm77ks011 Front Engine Lawn Tractor Parts Sears Partsdirect


Deck Drive Belt For Troy Bilt 13wm77ks011 13wn77bs011 13an77ks211 Lawn Tractor Walmart Com


Troy Bilt 13wn77ks011 Pony 11 Lawn Tractor Partswarehouse


Riding Mower 42 Inch Deck Belt 954 04060c Troy Bilt Us


Troy Bilt 13wm77ks011 Pony 2016 Manual Pto Shank 39 S Lawn Troy Bilt


Troy Bilt 13wm77ks011 Pony 2014 Parts Diagram For Mower Deck May 27 2014 After Sn 3


Replacement Parts Service Troy Bilt Us


How To Replace The Transmission Pulley On A Troy Bilt Pony Lawn Tractor Part 956 04002 Youtube

Iklan Atas Artikel

Iklan Tengah Artikel 1


Iklan Tengah Artikel 2

Iklan Bawah Artikel